1、設備工作原理
黃原膠工藝生產流程
本次設備改造對象是黃原膠生產工藝中一次提取過程中的攪拌罐,負責將黃原膠發酵液進行攪拌,攪拌速度越快,黃原膠產量越高,之前是用異步變頻器控制1500轉異步電機通過齒輪箱減速到150rpm驅動攪拌罐葉輪,本次改造替換成同步變頻器控制160rpm永磁同步電機直驅攪拌罐葉輪。
攪拌罐
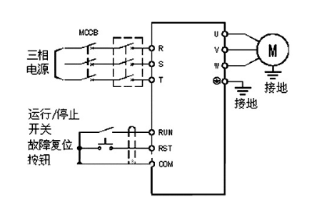
2、電氣接線圖
變頻器和電機之間存在一定距離,因此變頻器和電機都要做好接地的準備。
3、變頻器規格
根據電機參數,我司選擇了型號為YDS8500 T4-E002的變頻器。
4、調試步驟
在電機軸上沒有負載的情況下,按照電機參數進行自學習。Dr30:2倍相電阻,Dr31,Dr64:2倍相電感。
變頻器以39.3HZ(157rpm)運行時的電流電壓波形
在調試過程中,發現電機無法在重載情況下達到額定轉速,打開變頻器弱磁功能,依然收效甚微,經過測量發現是電機反電動勢與廠家提供的不符合,實測高達406V(正常電機反電動勢是電機額定電壓的90%左右),在變頻器輸入電壓395V不變的情況下,重載時變頻器母線電壓會從正常的550V掉到510V左右,也就是說接近電機額定轉速時,變頻器輸出電壓小于電機反電動勢時,電機就會失控。
因此我司建議,遇到此類情況,有兩種解決措施:
①、在變頻器前端加裝變壓器提升變頻器輸入電壓;
②、使用四象限變頻器穩住母線電壓。
電機反電動勢波形
5、現場運行情況
由于電機反電動勢原因,正常生產時,電機最大運行轉速設定為155rpm,這個轉速比之前的150rpm高,生產效率更高,目前設備已穩定運行半個月。
攪拌罐工作周期是72h,在每個工作周期內,第一個24h運行轉速為80rpm,第二個24h運行轉速為100rpm,第三個24h運行轉速為155rpm。
永磁同步電動機可以在25%~120% 額定功率的范圍內保持高功率因數和高效率狀態運行,而一般三相異步電動機通常只能在60%~100% 額定功率保持,變頻器在滿載時的消耗不會超過3%。
現場同樣的攪拌罐一共有30個,為了觀察節能效果,因此在改造的變頻器和目前還在用的變頻器前端都加裝了智能電表,在一個生產周期后對比后發現節能2400度電(一天省電800度電),按照這個數值換算,如果將廠內的攪拌罐全部替換成永磁同步電機直驅,工業用電按5毛/度計算,一年節省的電量就是800*30*365*0.5=4380000元,節能效果相當可觀。


